一、产品用途
NSBLS、YLJ型液环式氯压机专为抽吸和加压干燥氯气及氯化氢气体而设计,同时也可作为真空泵使用。设备采用98%浓硫酸作为循环介质,在农药、树脂、石油化工、电解化工等氯碱行业中均有广泛应用;若使用水作为介质,则适合抽压氢气、氮气、乙炔、乙烯等多种化工气体。此外,该设备还能作为自动控制系统中的空压装置,满足多样化工况需求。
二、设计亮点
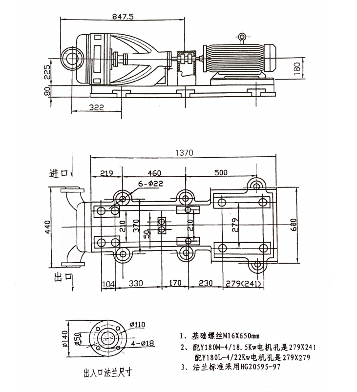
专利倾斜式椭圆壳体结构
该系列氯气泵采用本厂专利(专利号:ZL93.2.300S63)的倾斜式椭圆形壳体设计,具有极高的零部件通用性。部分型号直接沿用YLJ-750/0.3型泵的基础、底座及进出口法兰安装尺寸;而在大流量型号中,仅需将进口管道由Φ150mm升级至Φ200mm,出口尺寸保持不变,同时继续采用110KW电机,从而实现从750m³/h提升至950m³/h或1200m³/h的气量升级。优化流道,便于维护
设备内部结构合理、流道设计简洁顺畅,使得检修时操作人员能够直接伸手至进气法兰、锥形分配头,并同步触及两进气窗与叶轮,确保维护工作的便捷与高效。高效节能分配系统
椭圆壳体长轴平面与底座平面之间的夹角设计为15°至75°,配合三流道锥形分配头,实现了高效气体分配与节能降耗的双重优势。多种型号,按需咨询



