一、用途
NSBLS、YLJ型液环式氯压机专为抽吸和加压干燥氯气或氯化氢气体而设计,同时也可作为真空泵使用。设备采用98%浓硫酸作为循环介质,广泛应用于农药、树脂、石油化工、电解化工等氯碱行业;若选用水为介质,则适用于抽压氢气、氮气、乙炔、乙烯等多种化工气体。此外,该设备还可作为自动控制系统中的空气压缩装置,展现出多功能、高适应性的特点。
二、设计特点
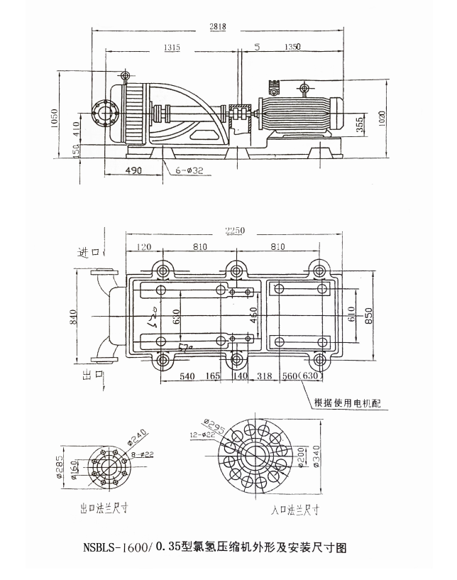
专利倾斜式椭圆形壳体设计
NSBLS系列氯气泵采用本厂专利产品(专利号:ZL93.2.300S63)的倾斜式椭圆形壳体,具备良好的零部件通用性。例如,可直接使用YLJ-750/0.3型氯气泵的基础、底座及进出口法兰安装尺寸;对于大流量型号NSBLS-950/0.30型和NSBLS-150/0.25型,仅需将原进口Φ150mm管道更换为Φ200mm管道,而出口管道尺寸保持不变,电机依然配备110KW,从而使气量由750m³/h提升至950m³/h或1200m³/h。流道简洁顺畅,便于维护
设备结构合理、内部流道设计精简流畅,使得维护时操作人员可轻松伸入进气法兰直至锥形分配头,同时触及两进气窗和叶轮,实现便捷检查与调试。高效节能分配器设计
椭圆形壳体长轴平面与底座平面之间设计有15°至75°的夹角,并配备三流道锥形分配头,实现了高效、节能的气体分配效果。多种型号,按需咨询



